油分凝集処理装置の特徴について


  • 低濃度の油分を凝集剤にて凝集させます。

  • 凝集沈殿した汚泥は、濾過機構で濾過してから排水します。

  • 凝集剤投入及び濾過から排水まで自動で行います。

  • 蒸留処理の2次処理に導入可能です。

  • FLOCS凝集剤を使用して処理を行うと効果的です。

  • 濾過はバッグフィルター式を採用しております。


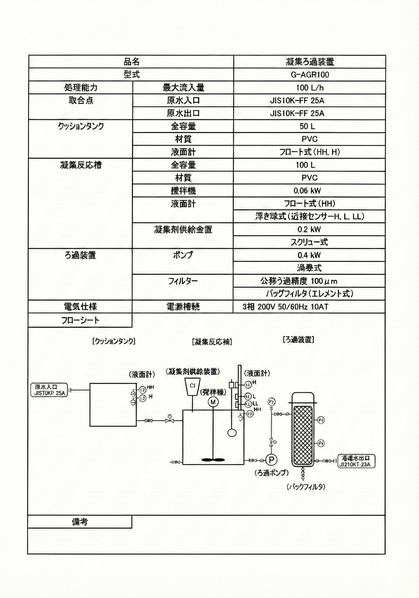
仕様・フロー

蒸留処理後の2次処理